高品质源于迈特过滤
产品简介
本公司生产汽水分离器、旋风过滤装置、净化设备、油水/气分离装置等产品,广泛的运用在锅炉系统,城市供暖,空压机除水,冷干机除水,天然气除水等气体输送系统当中,为除去气体中的饱和游离水,提供了很好的设备。能够根据用户的使用要求,对用户的设备、工程进行改造合设计。
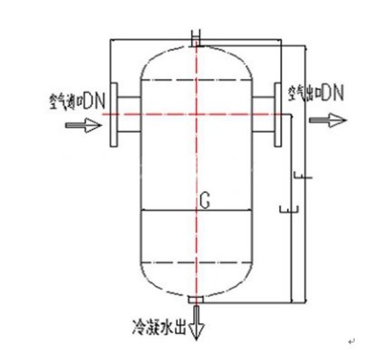
汽水分离器又名汽水分离器、气液分离器、油气分离器,主要用于压缩空气、蒸汽、甲烷等介质的除水除油,根据结构不同可分为旋风式或称离心式、挡板式、吸附型、高精密型等。
设备原理
挡板式:挡板或折板式分离器由很多挡板构成,大量含水的蒸汽或压缩空气进入汽水分离器,流体在分离器内多次改变流动方向,由于悬浮的水滴有较大的质量和惯性,当遇到挡板流动方向改变时,干蒸汽可以绕过挡板继续向前,而水滴就会积聚在挡板上,汽水分离器有很大的通流面积,减少了水滴的动能,大部分都会凝聚,落到分离器的底部,通过疏水阀排出。
挡板式汽水分离器适用于饱和蒸汽或压缩空气中的蒸汽和水的分离。

性能特点
1、本产品介质通过性强、阻力小、除水效果良好。
2、除水效率高,气体速度达到25m/s时,仍然可除去90%以上的液态水。
3、体积小、重量轻,减轻管道负重。
4、安装方便,管道法兰式连接、可悬挂安装同时可以安装吊环。
5、免维护、可靠性好,寿命长,可使用20年。
6、按GB150压力容器标准制造,安全可靠。
7、可选配:自动排水器或手动排水器;液位计等。
8、材料:碳钢和不锈钢304。
9、使用温度:≤80℃。(高温情况下,需特殊要求)
外形简图

选型参数

更多介绍请下载:
厂家直销,品质保障,型号齐全,服务无忧
| 原理: | 挡板式 | 用途: | 气体除水 |
| 样式: | 立式 | 设计压力: | 1.0-1.6mpa |
| 适用温度: | 10-300℃ | 主体材料: | Q235B |
厂家直销,品质保障,型号齐全,服务无忧
厂家直销,品质保障,型号齐全,服务无忧
01- 多年经验沉淀 · 实力品牌
新乡市迈特过滤设备有限公司拥有多年的专注经验,生产效率高,出货快,质量优,服务佳,拥有国家颁发的多项行业相关资质证书。
02- 真正源头生产厂家 · 价格优惠
迈特过滤设备是源头生产厂家,没有中间商赚差价,所有产品均是出厂价格,让客户获得更高性价比的产品
03- 产品型号齐全 · 支持定制
新乡市迈特过滤设备有限公司拥有多年的专注经验,生产效率高,出货快,质量优,服务佳,拥有国家颁发的多项行业相关资质证书。
04- 完善的服务体系 · 售后无忧
迈特过滤设备产品提供一年质保,终身维修。为用户提供7*24小时快速响应,专业客服人员为您提供售前售后服务
厂家直销,品质保障,型号齐全,服务无忧
Communication
consultation
Investigation
Design
Contract
signing
Customized
production
Distribution
installation
after-sale
service